The CVD Pumps is designed specifically for continuous use in slurry type applications with larger or breakage sensitive particles. This range of vortex pumps is capable of handling large as well as very soft particles, especially where particle degradation is of concern. The large volume internal profiles, combined with the recessed open impeller design, reduce particle interaction and limit potential blockages.
Design and Unique Features
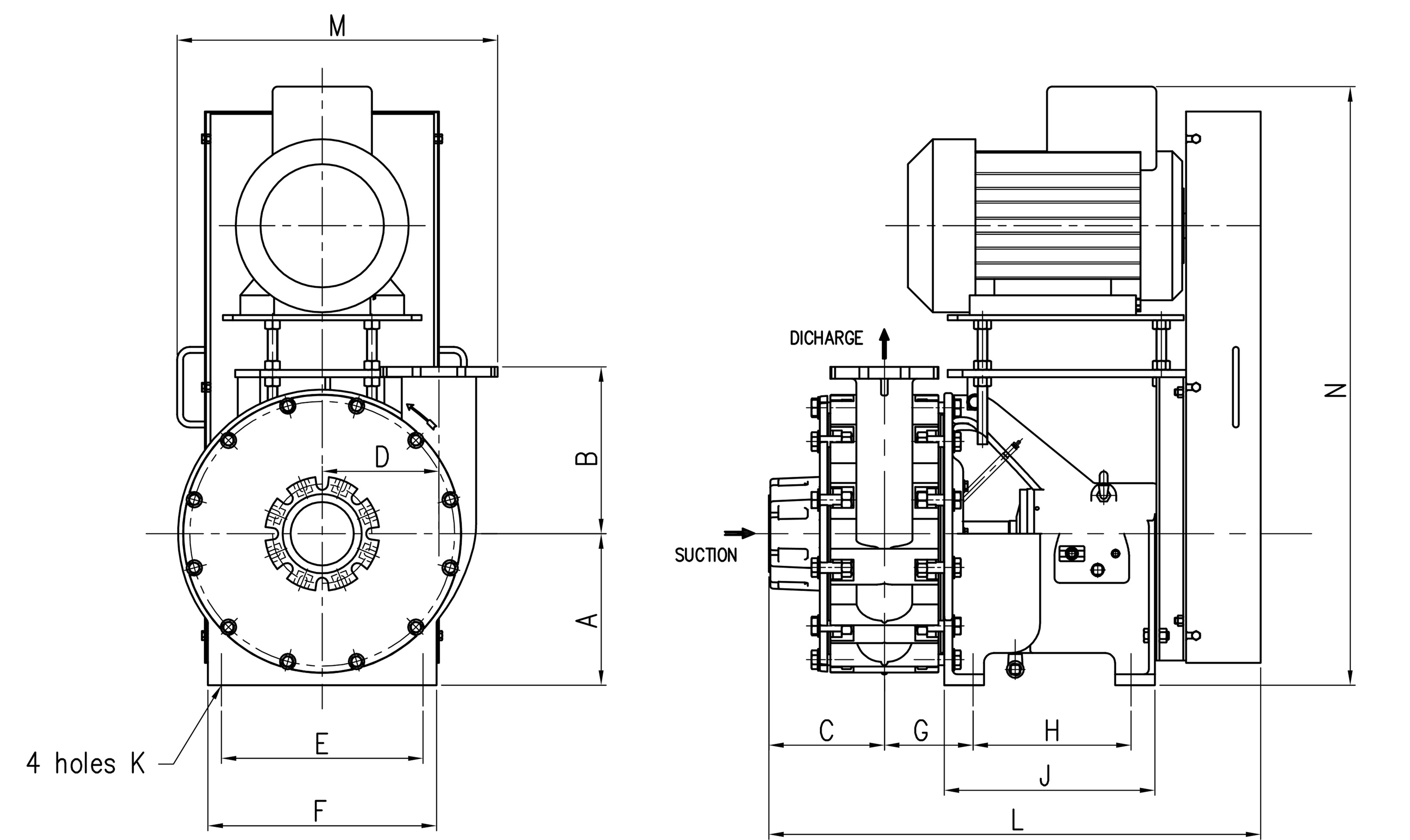
1. The unlined all-metal design of the wet-end components is suitable for both horizontaland vertical design configurations.
2. The unique recessed impeller design sets up an internal vortex, which transfers the energy to the medium being pumped. This "soft" transfer of energy limits the amount of particle degradation significantly when compared to conventional pumps.
3. Equally sized inlets and outlets determine the maximum particle size that the pump can handle limiting potential blockages that could arise when pumping large particles.
4. The large volume casing design reduces velocities further decreasing wear and particle degradation.
5. Robust bearing assemblies, consisting of heavy-duty taper rollers, minimum shaft overhang and rigid large diameter shafts contribute to trouble free operation on both horizontal and vertical configurations.
6. The unique "-10" (dash 10) end-cover assembly comprising V-Seals, double piston rings and an external flinger with grease lubricated labyrinths is standard in the horizontal bearing assemblies.
7. Availability of vertical spindle arrangements is standard and shaft lengths vary as per the normal VSD(SP) and VSDR(SPR) pump ranges.
Application
Carbon Transfer Duties
"Soft" Particles
Sewage and Effluent
Sugar Beet
Diamond Concentrate
Low Shear Duties
Food Industry
General Spillage






Note: For the Cyclo Sump Duty Pump, the standard shaft length range is from 900mm to 2100mm, and different submerged depth could be met by adding suction pipe.